Kubota RTV 900 Engine Issues: What To Know

A.Manycontent 4 views
Kubota RTV 900 Engine Issues: What To Know

Kubota RTV 900 Engine Issues: What to Know

Hey guys, let’s dive into the nitty-gritty of the Kubota RTV 900 engine problems . If you’re a proud owner of this rugged utility vehicle, you know it’s a workhorse built for tough jobs. But like any machine, it can sometimes throw a curveball. Understanding common engine issues can save you a lot of headaches and keep your RTV 900 running smoothly for years to come. We’re talking about everything from sputtering to complete shutdowns, so buckle up!

Common Kubota RTV 900 Engine Woes

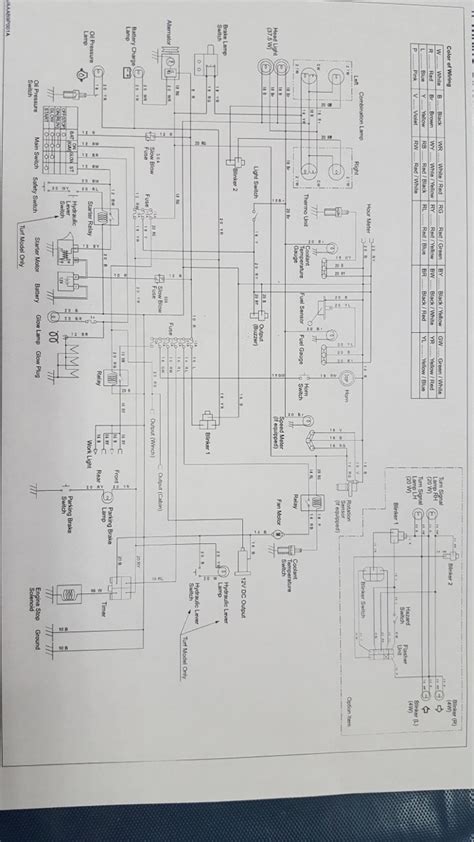
First off, let’s chat about the most frequently reported Kubota RTV 900 engine problems . One of the biggies is often related to the fuel system. We’re seeing folks complain about the engine not starting, running rough, or even stalling unexpectedly. This could stem from a few places, guys. Clogged fuel filters are a classic culprit. Over time, dirt and debris can build up, restricting fuel flow to the engine. It’s like trying to drink a milkshake through a straw that’s half-blocked – not exactly optimal for performance. Another common issue is with the fuel injectors themselves. If they get gummed up or start to fail, they won’t spray fuel correctly, leading to poor combustion and those frustrating performance issues. Think of it as a showerhead with clogged nozzles – you’re not getting that even spray you need. Sometimes, it’s the fuel pump acting up. If it’s not delivering enough pressure, the engine simply won’t get the fuel it needs to run efficiently, especially under load. This can manifest as a loss of power, particularly when climbing hills or hauling heavy loads. Preventative maintenance here is key, folks. Regularly changing your fuel filter, using clean fuel, and maybe even an occasional fuel system cleaner can go a long way in preventing these headaches. Don’t skimp on this stuff; your RTV 900 will thank you!

Another area where the RTV 900 can sometimes have issues is the cooling system . Overheating is a serious business for any engine, and the Kubota RTV 900 is no exception. When the engine gets too hot, it can lead to severe damage, warped parts, and even catastrophic failure. So, what causes overheating? Well, a common culprit is a faulty thermostat. This little guy is responsible for regulating the engine’s temperature, and if it gets stuck closed, the coolant can’t circulate properly. Imagine wearing a winter coat on a summer day – not fun for your engine! Low coolant levels are another obvious, but often overlooked, cause. Leaks in the radiator, hoses, or water pump can slowly drain your coolant, leaving the engine vulnerable. You’ll want to keep an eye out for any puddles under your UTV or visible signs of corrosion on the hoses. A clogged radiator can also restrict coolant flow, hindering its ability to dissipate heat. Think of the radiator as your engine’s air conditioner; if the fins are bent or clogged with debris, it just can’t do its job. And let’s not forget the cooling fan. If it’s not spinning at the right speed, or not at all, the radiator won’t get enough airflow to cool the coolant effectively. So, keeping your cooling system in tip-top shape – checking coolant levels regularly, inspecting hoses for leaks, and cleaning out the radiator – is super important. Don’t wait until you see steam coming out of the hood, guys!

Electrical gremlins can also be a source of Kubota RTV 900 engine problems . Modern vehicles, even workhorses like the RTV 900, have a complex electrical system. Issues with the battery, alternator, or starter can prevent the engine from starting or cause it to die unexpectedly. A dead battery is the most straightforward reason the engine won’t crank over, but sometimes the battery might be weak and not have enough juice to turn the starter motor. The alternator is crucial because it recharges the battery while the engine is running. If the alternator is failing, you might notice dimming headlights, a weak battery warning light, or the engine sputtering and dying because it’s not getting enough electrical power. A faulty starter motor is another possibility. You might hear a clicking sound when you try to start the engine, but it won’t actually turn over. Corrosion on battery terminals or loose wiring can also disrupt electrical flow. So, when you’re troubleshooting engine problems , don’t forget to check the electrical system. Make sure your battery connections are clean and tight, and if you suspect an issue with the alternator or starter, it’s best to get it checked out by a professional.

Troubleshooting Your RTV 900 Engine

Alright, so your RTV 900 is acting up. What do you do? Troubleshooting engine problems on your Kubota RTV 900 starts with a systematic approach. First, don’t panic! Most issues are fixable with a little patience and know-how. The absolute first step is to check the basics: Is there fuel in the tank? Is the battery charged? Are all the fluids at the correct levels (oil, coolant)? These might seem obvious, but believe me, they’re often the simplest solutions. If those are all good, then you start digging deeper. For fuel delivery issues, check that fuel filter. If it looks dirty or is past its recommended replacement interval, swap it out. Listen to your fuel pump – can you hear it prime when you turn the key? If not, it might be the issue. For overheating, double-check your coolant level and look for any visible leaks. Is the cooling fan engaging? Sometimes, simply topping off the coolant or flushing the system can make a world of difference. If you suspect an electrical problem, grab a multimeter. Check the battery voltage. Then, with the engine running, check the alternator output. Clean any corroded terminals. Pay attention to any warning lights on the dashboard; they’re there for a reason! Don’t ignore them. If you’re hearing strange noises – like knocking, grinding, or excessive rattling – try to pinpoint where they’re coming from. This can give you a crucial clue about the specific component that’s failing. Sometimes, an engine might be running rough due to a vacuum leak. Inspect all hoses for cracks or disconnections. Documenting everything you find and every step you take during troubleshooting is also a really smart move. It helps you keep track and can be invaluable if you need to explain the problem to a mechanic. Remember, taking your time and being methodical is your best friend when it comes to solving these Kubota RTV 900 engine problems .

Maintenance Tips to Prevent Issues

Now, let’s talk about preventative maintenance for your Kubota RTV 900 engine. The old saying, “An ounce of prevention is worth a pound of cure,” couldn’t be more true when it comes to keeping your UTV running like a dream. Sticking to a regular maintenance schedule is your golden ticket to avoiding those dreaded Kubota RTV 900 engine problems . First and foremost, regular oil changes are non-negotiable. Your engine oil is the lifeblood of your engine, lubricating moving parts and preventing excessive wear. Consult your owner’s manual for the recommended oil type and change interval, and don’t skimp on quality. Clean oil equals a happy engine, guys. Closely related is changing the oil filter every time you change the oil. A clogged filter can’t do its job effectively, and dirty oil circulating through your engine is a recipe for disaster. Next up, pay attention to your air filter. A clogged air filter restricts airflow to the engine, making it work harder and potentially leading to decreased performance and increased fuel consumption. Inspect it regularly and replace it when it looks dirty or when recommended in your manual. We’ve already talked about the fuel filter, but it bears repeating: replace your fuel filter according to the manufacturer’s schedule. This is critical for preventing fuel system issues. Don’t forget about the cooling system either. Check your coolant levels frequently and top them off as needed. Inspect hoses for any signs of cracking, swelling, or leaks. It’s also a good idea to have the cooling system flushed and refilled periodically to remove any buildup or sediment. Spark plugs are another often-overlooked component. Inspect and replace spark plugs as per your manual’s recommendations. Worn-out spark plugs can cause misfires, rough idling, and difficulty starting. And finally, keep an eye on your battery terminals. Clean any corrosion that builds up on the terminals to ensure good electrical contact. A simple cleaning can prevent a host of starting and electrical issues. Being proactive with your maintenance will not only save you money on repairs but also ensure your Kubota RTV 900 is always ready when you need it for those tough jobs. Treat your machine right, and it’ll treat you right!

When to Call a Professional

There comes a time, even for the most seasoned DIY mechanic, when you need to call a professional for your Kubota RTV 900 engine problems. While it’s great to tackle some issues yourself, certain repairs require specialized knowledge, tools, and diagnostic equipment. If you’ve gone through the basic troubleshooting steps and are still stumped, or if the problem seems complex, it’s time to admit defeat and seek expert help. For instance, if you suspect a major internal engine issue – like rod knock, significant oil consumption, or a complete loss of compression – these are often beyond the scope of a casual repair. Internal engine work can be incredibly intricate, and a mistake could lead to even more costly damage. Similarly, if you’re dealing with persistent electrical system faults that you can’t diagnose with a multimeter, it might be time to bring in an auto electrician. Complex wiring issues, sensor failures, or problems with the engine control unit (ECU) often require specialized diagnostic tools that most folks don’t have lying around. Overheating issues that persist even after checking the thermostat, coolant levels, and fan could indicate a more serious problem like a cracked head gasket or a blocked coolant passage within the engine block. These are repairs best left to the pros. Don’t hesitate to consult your owner’s manual ; it often provides guidance on when professional service is recommended. If you’re feeling unsure or uncomfortable with a particular repair, it’s always better to be safe than sorry. Taking your RTV 900 to a qualified Kubota service center or a reputable mechanic specializing in off-road vehicles ensures the job is done right the first time. This can save you time, money, and the frustration of making the problem worse. Remember, your RTV 900 is an investment, and sometimes, investing in professional repair is the smartest way to protect that investment and get back to tackling those jobs with confidence.