LM723 Power Supply: Schematics & Design Guide

A.Manycontent 15 views
LM723 Power Supply: Schematics & Design Guide

LM723 Power Supply Schematic: A Comprehensive Design Guide

Hey guys! Are you ready to dive into the fascinating world of power supply design using the LM723 , a versatile and widely used voltage regulator IC? If you’re an electronics enthusiast, a student, or a seasoned engineer looking for a reliable and adaptable power supply solution, then you’ve landed in the right place! This guide will walk you through everything you need to know about the LM723 power supply schematic , from the basics of the IC itself to detailed design considerations and practical implementation tips. Let’s get started!

The LM723 is a monolithic integrated circuit designed for use as a series, shunt, or switching voltage regulator. This integrated circuit is capable of delivering an output current of 150mA without using any external pass transistor but by employing an external pass transistor it can deliver output current up to 10A. It has the ability to regulate either positive or negative voltages. So basically, if you’re looking for something reliable and flexible, the LM723 is your friend. Think of it as the Swiss Army knife of voltage regulators – it’s got a tool for almost any job you throw at it. Its adjustable output voltage, current limiting, and thermal shutdown features make it a robust choice for various applications. Whether you’re powering sensitive analog circuits, microcontrollers, or other electronic devices, the LM723 can be configured to meet your specific needs. And that’s what makes understanding its schematic so crucial. It opens up a world of possibilities for creating custom power supplies that are tailored to your exact requirements. So, grab your soldering iron and let’s get our hands dirty, and let’s dive in!

Understanding the LM723 IC

Before we jump into the LM723 power supply schematic , let’s take a closer look at the LM723 IC itself. Knowing its internal structure and pinout is essential for designing a stable and efficient power supply. The LM723 consists of several key components, including a reference voltage source, an error amplifier, a series pass transistor, and current limiting circuitry. The reference voltage source provides a stable voltage against which the output voltage is compared. The error amplifier amplifies the difference between the reference voltage and a sample of the output voltage, generating a control signal that drives the series pass transistor. The series pass transistor acts as a variable resistor, regulating the output voltage by controlling the amount of current that flows through it. The current limiting circuitry protects the IC and the load from excessive current draw, preventing damage in case of a short circuit or overload condition. This protection mechanism ensures the LM723’s longevity and reliability, making it a dependable choice for your power supply needs. Furthermore, the LM723 offers thermal shutdown protection, which automatically disables the output when the IC’s temperature exceeds a safe limit. This feature prevents thermal runaway and further enhances the IC’s robustness. By understanding these internal components and their functions, you’ll be better equipped to design and troubleshoot your LM723 power supply . You’ll also be able to optimize the circuit for specific applications, maximizing efficiency and performance. So take some time to familiarize yourself with the LM723 datasheet and explore its capabilities. The more you know about this versatile IC, the more effectively you can use it in your projects.

Pinout Configuration

The LM723 typically comes in a 14-pin dual-in-line package (DIP). Here’s a breakdown of the pin functions:

  • VCC (Pin 12): Positive supply voltage.
  • VREF (Pin 6): Reference voltage output (typically 7.15V).
  • VOUT (Pin 10): Output voltage.
  • INV (Pin 4): Inverting input of the error amplifier.
  • NON-INV (Pin 5): Non-inverting input of the error amplifier.
  • CL (Pin 13): Current limit sense input.
  • CS (Pin 2): Current limit sense output.
  • FREQ (Pin 3): Frequency compensation.
  • VC (Pin 11): Collector of the series pass transistor.
  • VL (Pin 1): Lower voltage sense input.
  • NC (Pins 7, 8, 9, 14): No connection.

Knowing the pinout is super important, trust me. This is your roadmap to connecting everything correctly. Always double-check your connections against the datasheet to avoid any mishaps.

Designing Your LM723 Power Supply

Now for the exciting part: designing your very own LM723 power supply ! Here, we will discuss about the key considerations in designing an LM723 power supply . The LM723 power supply schematic is not just about connecting components randomly; it’s about understanding the interplay between them to achieve the desired output voltage and current. Here’s a step-by-step approach to guide you through the process:

  1. Define Your Requirements: First and foremost, determine the required output voltage and current for your application. This will dictate the values of the external components you’ll need. Do you need a fixed voltage or an adjustable one? What’s the maximum current your load will draw? Answering these questions will set the foundation for your design. For instance, if you’re powering a microcontroller, you might need a stable 5V supply with a current capacity of 500mA. On the other hand, if you’re driving a motor, you might need a higher voltage and current. Carefully consider the specifications of your load to avoid any compatibility issues. Also, think about the input voltage range you’ll be working with. Is it a fixed voltage, or will it fluctuate? This will affect the selection of your input components and the overall stability of your power supply.

  2. Choose the Right Configuration: The LM723 can be configured in various ways, including positive voltage regulators, negative voltage regulators, and floating regulators. Select the configuration that best suits your needs. For most applications, a positive voltage regulator configuration is sufficient. However, if you need a negative voltage or a floating output, you’ll need to adjust the LM723 power supply schematic accordingly. The datasheet provides detailed information on each configuration, including example circuits and component values. Pay close attention to the polarity of the components and the connections to the LM723 IC. A mistake in this area can lead to improper operation or even damage to the IC.

  3. Calculate Resistor Values: The output voltage is determined by an external resistor divider network connected to the inverting and non-inverting inputs of the error amplifier. Use the following formula to calculate the resistor values:

    VOUT = VREF * (1 + R1/R2)

    Where VREF is the reference voltage (typically 7.15V), R1 is the resistor connected between the output and the inverting input, and R2 is the resistor connected between the inverting input and ground. Choose a convenient value for either R1 or R2, and then calculate the other resistor based on the desired output voltage. For example, if you want a 12V output and choose R2 to be 1kΩ, then R1 would be approximately 674Ω. You can use a standard 680Ω resistor in this case. Keep in mind that the accuracy of the resistors will affect the accuracy of the output voltage. Use precision resistors if you need a highly accurate output voltage. Also, consider the power rating of the resistors. They should be able to handle the power dissipated by the resistor divider network. A good rule of thumb is to choose resistors with a power rating at least twice the calculated power dissipation.

  4. Select Current Limiting Resistor: To protect the LM723 and the load from overcurrent conditions, a current limiting resistor (RCL) is connected between the current limit sense input (CL) and the output. The value of RCL is determined by the desired current limit (ILIM) using the following formula:

    RCL = 0.65V / ILIM

    For example, if you want to limit the current to 1A, then RCL would be 0.65Ω. Choose a resistor with a power rating sufficient to handle the power dissipated by the current limiting resistor. In this case, the power dissipation would be 0.65W, so you should choose a resistor with a power rating of at least 1W. It’s also a good idea to use a non-inductive resistor for current limiting. Inductive resistors can cause voltage spikes during switching, which can damage the LM723 or the load. A wirewound resistor is a good choice for current limiting, as it has low inductance and can handle high power.

  5. Add Compensation Components: To ensure the stability of the power supply, it’s often necessary to add compensation components, such as capacitors, to the error amplifier. The datasheet provides guidelines for selecting the appropriate compensation components based on the specific application and operating conditions. Compensation capacitors help to stabilize the feedback loop and prevent oscillations. The value of the compensation capacitor depends on the gain of the error amplifier and the load capacitance. A typical value for the compensation capacitor is between 100pF and 1nF. You may need to experiment with different values to find the optimal compensation for your power supply. It’s also important to consider the ESR (equivalent series resistance) of the compensation capacitor. A high ESR can degrade the stability of the power supply. Use a low-ESR capacitor, such as a ceramic capacitor, for compensation.

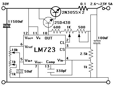
Example LM723 Power Supply Schematic

Here’s a basic LM723 power supply schematic for a positive voltage regulator:

[Insert Schematic Image Here]

This schematic shows the key components and connections required to build a functional LM723 power supply . The input voltage is applied to pin 12 (VCC), and the output voltage is taken from pin 10 (VOUT). The resistor divider network (R1 and R2) sets the output voltage, and the current limiting resistor (RCL) protects the IC and the load from overcurrent conditions. The compensation capacitor (C1) helps to stabilize the feedback loop and prevent oscillations. This is a basic example, and you may need to modify the LM723 power supply schematic to suit your specific needs. For example, you may need to add additional filtering capacitors to reduce noise and ripple, or you may need to use a different configuration to achieve a negative voltage or a floating output. Always refer to the LM723 datasheet for detailed information on the various configurations and component selection guidelines.

Tips for Building and Troubleshooting

Building and troubleshooting an LM723 power supply can be a rewarding experience. But here are some tips to help you along the way:

  • Double-Check Your Connections: Before applying power, carefully double-check all your connections to ensure they are correct. A wiring mistake can easily damage the LM723 or other components. Use a multimeter to verify the continuity of the connections and the absence of any shorts. Pay close attention to the polarity of the components, especially electrolytic capacitors. Reversing the polarity of an electrolytic capacitor can cause it to explode. It’s also a good idea to use a breadboard or a prototyping board to build your circuit before soldering it permanently. This will allow you to easily make changes and troubleshoot any problems.
  • Use a Heat Sink: The series pass transistor in the LM723 can dissipate a significant amount of power, especially at high output currents. Use a heat sink to prevent the transistor from overheating. The size of the heat sink depends on the power dissipation and the ambient temperature. A larger heat sink will provide better cooling and prevent the transistor from overheating. You can use thermal paste to improve the thermal contact between the transistor and the heat sink. Also, make sure that the heat sink is properly grounded to prevent any electrical noise from interfering with the operation of the power supply.
  • Test with a Dummy Load: When testing your power supply, use a dummy load to simulate the actual load you’ll be powering. This will allow you to test the power supply under realistic conditions and identify any potential problems. A dummy load can be a resistor, a potentiometer, or an electronic load. Choose a dummy load that can handle the maximum current and voltage of the power supply. Monitor the output voltage and current with a multimeter to ensure that they are within the expected range. Also, check the temperature of the series pass transistor to make sure it’s not overheating.
  • Check for Oscillations: Oscillations can cause instability and inaccurate output voltage. Use an oscilloscope to check for oscillations on the output voltage. If you detect oscillations, adjust the compensation components until the oscillations are eliminated. Oscillations can be caused by excessive gain in the feedback loop, improper compensation, or noise. Try adding a small capacitor in parallel with the load to reduce noise and improve stability. You can also try adding a resistor in series with the output to dampen the oscillations. If the oscillations persist, consult the LM723 datasheet for troubleshooting tips.

Conclusion

The LM723 power supply schematic provides a solid foundation for building reliable and adaptable power supplies. By understanding the IC’s internal workings, carefully designing the external circuitry, and following these tips, you can create a power supply that meets your specific needs. Happy building, and feel free to experiment and explore the endless possibilities of the LM723 ! Remember, practice makes perfect! The more you experiment with the LM723 , the more comfortable you’ll become with its capabilities and limitations. Don’t be afraid to try new things and push the boundaries of your design. The world of power supply design is full of exciting challenges and rewarding opportunities. So, go out there and create something amazing! And as always, if you have any questions or need help with your design, don’t hesitate to reach out to the online community for support. There are many experienced engineers and hobbyists who are willing to share their knowledge and expertise.