Porsche SC: The Complete Guide For 911 Enthusiasts

A.Manycontent 82 views
Porsche SC: The Complete Guide For 911 Enthusiasts

Porsche SC: The Complete Guide For 911 Enthusiasts

Hey guys! If you’re anything like me, you’re probably head-over-heels for classic Porsches. And when it comes to bang-for-your-buck vintage 911s, the Porsche SC is a total rockstar. This guide is your ultimate resource for everything Porsche SC. We’ll dive into what makes this car special, what to watch out for, and how to keep it running strong for years to come. So buckle up, Porschephiles, and let’s get started!

What is a Porsche SC?

The Porsche SC , which stands for Super Carrera , was produced from 1978 to 1983. It filled a crucial spot in the 911 lineup, bridging the gap between the earlier, more raw 911s and the later, more refined Carrera 3.2. Often overlooked, the SC offers a sweet spot of classic 911 charm with some welcome improvements in usability and reliability. The Porsche SC is more than just a car; it’s a statement. It tells the world you appreciate timeless design, engaging driving dynamics, and a rich automotive heritage. The SC marked a pivotal point in the 911’s history. It represented a move towards greater reliability and refinement without sacrificing the essence of what made the 911 so special. This makes it a particularly appealing choice for those looking to experience classic 911 ownership without the potential headaches of earlier models. The engine, while not as powerful as later iterations, provides more than enough grunt for spirited driving, and the car’s overall balance and responsiveness make it a joy to pilot on winding roads. Think of it as the Goldilocks of classic 911s – not too old, not too new, but just right. The SC also benefits from a strong and supportive community of owners and enthusiasts. This means that finding parts, advice, and camaraderie is generally easier compared to some of the more obscure or limited-production classic cars. Whether you’re a seasoned Porsche collector or a newcomer to the world of classic cars, the SC offers a compelling blend of performance, style, and value that is hard to ignore. Its enduring appeal is a testament to its design and engineering, ensuring its place in automotive history for generations to come.

Why the Porsche SC is a Great Choice

There are a TON of reasons why a Porsche SC makes a fantastic choice for a classic sports car. First off, the price point is generally more accessible than earlier 911s or the later Carrera 3.2 . This means you can get into a well-maintained SC without breaking the bank. Secondly, the SC is known for being relatively reliable , especially compared to some of its predecessors. The 3.0-liter engine is robust and can handle a lot of miles with proper maintenance. Third, the SC is just plain fun to drive . It has that classic 911 feel – direct steering, responsive throttle, and that unmistakable air-cooled engine sound. Plus, with its classic good looks, you’ll be turning heads wherever you go. Let’s be honest, owning a classic Porsche is as much about the experience as it is about the car itself. The SC delivers on that front in spades. From the satisfying click of the door latch to the way the engine revs eagerly, every interaction with the car is a reminder of its heritage. The SC is also surprisingly practical for a classic sports car. It has a decent amount of storage space in the front trunk (or “frunk,” as Porsche enthusiasts call it), and the rear seats, while small, can be useful for carrying extra luggage or small passengers. Of course, no classic car is perfect, and the SC does have its quirks. But these are generally well-documented and understood, making them easier to address and manage. The joys of driving a Porsche SC extend beyond just the performance and handling. It’s about the connection you feel to the car, the road, and the history of the Porsche brand. It’s about the sense of accomplishment you get from maintaining and caring for a classic machine. And it’s about being part of a community of passionate enthusiasts who share your love for these iconic cars. In short, the Porsche SC offers a unique and rewarding ownership experience that is hard to find in other classic sports cars. Its combination of affordability, reliability, and driving enjoyment makes it an excellent choice for both seasoned Porsche collectors and those just starting their classic car journey.

Potential Issues and What to Look For

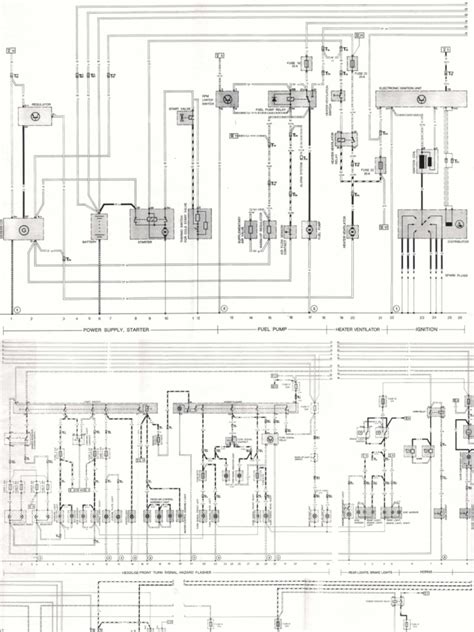
Okay, let’s get real. Like any classic car, the Porsche SC has some potential issues you need to be aware of. One of the most common is oil leaks . These engines are known for seeping oil from various places, so a thorough inspection is crucial. Another thing to watch out for is corrosion , especially in areas prone to rust, like the rocker panels, floor pans, and around the windshield. Also, pay attention to the condition of the CIS fuel injection system , as it can be finicky and expensive to repair if it’s not working properly. Finally, have a mechanic check the valve guides, as these can wear over time and lead to engine problems. Remember, a pre-purchase inspection by a qualified Porsche mechanic is worth its weight in gold. Don’t skip this step! Getting a professional assessment can reveal hidden problems that you might miss on your own. They can check the engine compression, inspect the suspension components, and evaluate the overall condition of the car. This investment can save you a lot of headaches and money in the long run. When inspecting a Porsche SC, it’s also important to pay attention to the car’s history. Ask for maintenance records and try to get a sense of how well the car has been cared for over the years. A car that has been regularly serviced and properly maintained is likely to be in better condition than one that has been neglected. Look for signs of recent repairs or upgrades, as these can indicate that the previous owner was proactive about maintaining the car. Also, be wary of cars that have been heavily modified, as these modifications can sometimes compromise the car’s reliability or value. It’s generally better to stick with a car that is as close to original as possible. Finally, don’t be afraid to ask questions. Talk to the owner, ask about their experience with the car, and try to get a sense of their knowledge and passion for Porsches. A knowledgeable and enthusiastic owner is more likely to have taken good care of the car. By doing your homework and paying attention to the details, you can increase your chances of finding a great Porsche SC that will provide you with years of driving pleasure.

Maintenance Tips for Your Porsche SC

So, you’ve got your Porsche SC – awesome! Now, let’s talk about keeping it in tip-top shape. Regular oil changes are a must . Use a high-quality oil specifically designed for air-cooled engines. Also, keep an eye on those valve adjustments . They’re crucial for maintaining proper engine performance. Don’t forget to check and replace the fuel filter regularly , as a clogged filter can cause all sorts of problems with the CIS fuel injection system. And finally, make sure to keep the car clean and protected from the elements . A good wax job can go a long way in preventing rust and keeping your SC looking its best. Remember, preventive maintenance is key to keeping your classic Porsche running smoothly and reliably. By staying on top of routine maintenance tasks, you can avoid costly repairs down the road and ensure that your SC remains a joy to drive for years to come. In addition to the tips mentioned above, it’s also a good idea to familiarize yourself with the specific maintenance requirements for your model year. The Porsche SC underwent some minor changes over its production run, so it’s important to know the specific recommendations for your car. Consult your owner’s manual or a trusted Porsche mechanic for more information. Another important aspect of maintaining your Porsche SC is to use quality parts. While it may be tempting to save money by using cheaper aftermarket parts, this can often lead to problems in the long run. Stick with genuine Porsche parts or reputable aftermarket brands that are known for their quality and reliability. Investing in quality parts will not only improve the performance and reliability of your car but also help to preserve its value. Finally, don’t be afraid to seek help from experienced Porsche mechanics or enthusiasts. There are many knowledgeable people out there who can provide valuable advice and guidance on how to maintain your Porsche SC. Join a local Porsche club or online forum to connect with other owners and learn from their experiences. By tapping into this community of knowledge, you can gain a better understanding of your car and ensure that it receives the best possible care. With proper maintenance and attention, your Porsche SC will reward you with years of driving pleasure and become a cherished part of your life.

Performance Upgrades (If You’re Feeling Adventurous)

While the Porsche SC is great in its stock form, some owners can’t resist the urge to add a little extra oomph. If you’re looking for a bit more power, consider upgrading to a performance exhaust system . This can free up some horsepower and give your SC a throatier sound. Another popular upgrade is installing a chip that optimizes the fuel injection system . This can improve throttle response and overall engine performance. You might also consider upgrading the suspension with stiffer springs and shocks . This can improve handling and reduce body roll. Just remember to do your research and choose upgrades that are compatible with your car and driving style . And, as always, consult with a qualified Porsche mechanic before making any major modifications. Before you dive into performance upgrades, it’s important to assess your goals and expectations. What are you hoping to achieve with these modifications? Are you looking for more power, better handling, or simply a more aggressive look? Once you have a clear understanding of your goals, you can start to research the different options available and choose the upgrades that are right for you. It’s also important to consider the impact that these modifications will have on the car’s reliability and value. Some performance upgrades can put additional stress on the engine or other components, which can lead to premature wear and tear. Other modifications may detract from the car’s originality and reduce its value. So, it’s important to weigh the pros and cons carefully before making any decisions. If you’re not sure where to start, it’s always a good idea to consult with a qualified Porsche mechanic or performance specialist. They can provide you with expert advice and guidance on the best upgrades for your Porsche SC. They can also help you to install these upgrades properly and ensure that they are working safely and effectively. Remember, the goal of performance upgrades is to enhance the driving experience, not to compromise the car’s reliability or value. By doing your research, planning carefully, and consulting with experts, you can make sure that your Porsche SC remains a joy to drive for years to come. With the right modifications, you can take your driving experience to the next level.

The Value of a Porsche SC Today

So, what’s a Porsche SC worth these days? Well, it depends on a few factors, including condition, mileage, and originality. Generally, you can expect to pay anywhere from \(30,000 to \) 60,000 for a well-maintained SC . Cars in excellent condition with low mileage can fetch even higher prices . Convertible models also tend to be more valuable than coupes . And, of course, cars with a documented history and original features are highly prized by collectors . Keep in mind that the classic car market can fluctuate, so it’s always a good idea to do your research and consult with a Porsche expert before making a purchase. The value of a Porsche SC is not just monetary; it’s also about the experience of owning and driving a classic sports car. These cars are more than just machines; they are pieces of automotive history that offer a unique and rewarding driving experience. As the classic car market continues to evolve, the value of well-maintained and original Porsche SCs is likely to remain strong. These cars are becoming increasingly rare and sought after by collectors and enthusiasts alike. So, if you’re considering purchasing a Porsche SC, now may be a good time to invest. In addition to the factors mentioned above, the value of a Porsche SC can also be influenced by its location and the local market conditions. Cars located in areas with a strong Porsche community or a high demand for classic cars may command higher prices. It’s also important to consider the cost of ownership when evaluating the value of a Porsche SC. These cars require regular maintenance and repairs, which can be expensive. So, it’s important to factor these costs into your budget when making a purchase. Ultimately, the value of a Porsche SC is subjective and depends on individual preferences and circumstances. However, by doing your research, considering the factors mentioned above, and consulting with experts, you can make an informed decision and find a car that is both valuable and enjoyable to own. The Porsche SC is a true classic that offers a unique and rewarding ownership experience. Its timeless design, engaging driving dynamics, and rich automotive heritage make it a highly desirable car for collectors and enthusiasts alike. Whether you’re looking for a weekend cruiser or a track day warrior, the Porsche SC is sure to provide you with years of driving pleasure.

Is the Porsche SC Right For You?

Ultimately, whether or not a Porsche SC is right for you depends on your individual needs and preferences. If you’re looking for a classic 911 that’s relatively affordable, reliable, and fun to drive, the SC is definitely worth considering. However, if you’re looking for the ultimate in performance or modern amenities, you might be better off with a newer model . Also, keep in mind that owning a classic car requires a certain level of commitment to maintenance and repair . But if you’re willing to put in the time and effort, a Porsche SC can be an incredibly rewarding ownership experience. Owning a classic car is not just about the car itself; it’s about the lifestyle that comes with it. It’s about the sense of community, the joy of driving, and the pride of owning a piece of automotive history. The Porsche SC embodies all of these qualities, making it a truly special and desirable car. If you’re passionate about cars, appreciate classic design, and enjoy hands-on involvement in maintenance and repair, then the Porsche SC may be the perfect car for you. It’s a car that will reward you with years of driving pleasure and become a cherished part of your life. However, if you’re looking for a car that requires minimal maintenance, offers the latest technology, and delivers the ultimate in performance, then you may want to consider a newer Porsche model. These cars offer a more modern driving experience and are often more reliable and easier to maintain. Ultimately, the decision of whether or not to purchase a Porsche SC is a personal one. It’s important to weigh your needs and preferences carefully and consider the pros and cons of owning a classic car. If you do your research, plan carefully, and consult with experts, you can make an informed decision and find a car that is right for you. Whether you choose a Porsche SC or another model, the joy of owning a Porsche is an experience that is hard to match. These cars are more than just machines; they are symbols of performance, style, and innovation. They represent a passion for driving and a commitment to excellence. So, if you’re ready to join the Porsche family, then start your search today and discover the thrill of owning one of the world’s most iconic sports cars.